特殊的针尖设计技术,超长的使用寿命
适用于量产测试

Pad 不平整度的兼容性可达 25 μm
适用于不平整界面的测试

极低的接触电阻和插入损耗

可满足 -60℃~ 200℃ 宽温区测试


产品类别
探针参数 | 单信号 | 差分信号 | ||||
LF 系列 | RF 系列 | HF 系列 | LF 系列 | RF 系列 | HF 系列 | |
最高频率 | 50 GHz | 110 GHz | 110 GHz | 67 GHz | 110 GHz | 110 GHz |
插损典型值@40GHz ** (单信号:GSG,150 μm Pitch, 标准款 差分信号:GSGSG,150 μm Pitch, 标准款) | - 0.50 dB | - 0.62 dB | - 0.57 dB | - 0.80 dB | - 0.80 dB | - 0.80 dB |
回损典型值@40GHz ** (单信号:GSG,150 μm Pitch, 标准款 差分信号:GSGSG,150 μm Pitch, 标准款) | - 20.50 dB | - 17.80 dB | - 18.54 dB | - 13.00 dB | - 13.00 dB | - 13.00 dB |
接触电阻 *** | <10 mΩ | <10 mΩ | <10 mΩ | <10 mΩ | <10 mΩ | <10 mΩ |
信号排布 | GSG, GS,SG | GSG, GS,SG | GSG, GS,SG | GSGSG, GSSG | GSGSG, GSSG | GSGSG, GSSG |
探针间距 ***** | 50 μm ~ 1250 μm (25 μm step) | 50 μm ~ 1250 μm (25 μm step) | 50 μm ~ 1250 μm (25 μm step) | 50 μm ~ 1250 μm (25 μm step) | 50 μm ~ 1250 μm (25 μm step) | 50 μm ~ 1250 μm (25 μm step) |
典型寿命 ****** | >1,000,000 | >1,000,000 | >1,000,000 | >1,000,000 | >1,000,000 | >1,000,000 |
最高使用温度 | 200°C | 200°C | 200°C | 200°C | 200°C | 200°C |
最小 Pad 尺寸 | 70 × 70 μm | 30 × 30 μm | 30 × 30 μm | 70 × 70 μm | 30 × 30 μm | 30 × 30 μm |
主要特点 | ● 满足表面不平整器件的测试 ● 测试稳定 ● 重复性好 ● 使用寿命长 ● 交付周期快 | ● 极低的接触电阻 ● 扎痕尺寸非常小 ● 测试稳定 ● 重复性好 | ● 极低的接触电阻 ● 扎痕尺寸非常小 ● 测试稳定 ● 重复性好 ● 优越的抗干扰性能 | ● 满足表面不平整器件的测试 ● 测试稳定 ● 重复性好 ● 使用寿命长 ● 交付周期快 | ● 极低的接触电阻 ● 扎痕尺寸非常小 ● 测试稳定 ● 重复性好 | ● 极低的接触电阻 ● 扎痕尺寸非常小 ● 测试稳定 ● 重复性好 ● 优越的抗干扰性能 |
测试推荐 ******* | ● PCB 板级测试 ● 量产测试 | ● 滤波器测试 | ● 器件建模测试 ● 和特征测试 | ● PCB 板级测试 ● 量产测试 | ● 滤波器测试 | ● 器件建模测试 ● 和特征测试 |
40 GHz 单信号射频探针:RF40 系列
电性能参数 | 探针外形尺寸— 标准款 ******* | ||||
| 1 | 频率范围 | DC ~ 40 GHz | | ||
2 | 插损 ** (GSG,150 μm Pitch,标准款) | 最大值 | 典型值 | 最小值 | |
- 0.43 dB | - 0.62 dB | - 0.69 dB | |||
| 3 | 回损 ** (GSG,150 μm Pitch,标准款) | 最大值 | 典型值 | 最小值 | |
- 15.25 dB | - 17.80 dB | - 19.33 dB | |||
| 4 | 特征阻抗 | 50 Ω | |||
| 5 | 接触电阻 *** | <10 mΩ | |||
| 6 | 最大直流电流 | 2 A | 探针外形尺寸— Mini 款 ******* | ||
| 7 | 最大直流电压 | 200 V | | ||
| 8 | 最大射频功率 **** | 标准款 | 大功率款 | ||
>4 W @ 40 GHz | >7 W @ 40 GHz | ||||
机械性能参数 | |||||
| 1 | 信号排布 | GSG,GS,SG | |||
| 2 | 探针间距 ***** | 50 μm ~ 1250 μm(25 μm step) | 探针外形尺寸— Slim 款 ******* | ||
| 3 | 连接器 | 2.92 mm(female) | | ||
| 4 | 针尖材质 | 铜合金 | |||
| 5 | 典型寿命 ****** | >1,000,000 | |||
| 6 | 最高使用温度 | 200°C | |||
| 7 | 最小 Pad 尺寸 | 30 × 30 μm | |||
| 8 | 探针外形 | 标准款、Mini 款、Slim 款 | |||
| 9 | 适配射频线缆 | C40 系列 | |||
67 GHz 单信号射频探针:RF67 系列
电性能参数 | 探针外形尺寸— 标准款 ******* | ||||
| 1 | 频率范围 | DC ~ 67 GHz | . ![]() | ||
2 | 插损 ** (GSG,150 μm Pitch,标准款) | 最大值 | 典型值 | 最小值 | |
- 0.65 dB | - 0.87 dB | - 1.09 dB | |||
| 3 | 回损 ** (GSG,150 μm Pitch,标准款) | 最大值 | 典型值 | 最小值 | |
- 12.55 dB | - 15.68 dB | - 18.65 dB | |||
| 4 | 特征阻抗 | 50 Ω | |||
| 5 | 接触电阻 *** | <10 mΩ | |||
| 6 | 最大直流电流 | 2 A | 探针外形尺寸— Mini 款 ******* | ||
| 7 | 最大直流电压 | 200 V |
| ||
| 8 | 最大射频功率 **** | 标准款 | 大功率款 | ||
| >3 W @ 67 GHz | >6 W @ 67 GHz | ||||
机械性能参数 | |||||
| 1 | 信号排布 | GSG,GS,SG | |||
| 2 | 探针间距 ***** | 50 μm ~ 1250 μm(25 μm step) | 探针外形尺寸— Slim 款 ******* | ||
| 3 | 连接器 | 1.85 mm(female) | | ||
| 4 | 针尖材质 | 铜合金 | |||
| 5 | 典型寿命 ****** | >1,000,000 | |||
| 6 | 最高使用温度 | 200°C | |||
| 7 | 最小 Pad 尺寸 | 30 × 30 μm | |||
| 8 | 探针外形 | 标准款、Mini 款、Slim 款 | |||
| 9 | 适配射频线缆 | C67 系列 | |||
110 GHz 单信号射频探针:RF110 系列
电性能参数 | 探针外形尺寸— 标准款 ******* | ||||
| 1 | 频率范围 | DC ~ 110 GHz | .![]() | ||
2 | 插损 ** (GSG,150 μm Pitc,标准款) | 最大值 | 典型值 | 最小值 | |
- 0.96 dB | - 1.13 dB | - 1.37 dB | |||
| 3 | 回损 ** (GSG,150 μm Pitc,标准款) | 最大值 | 典型值 | 最小值 | |
- 11.60 dB | - 16.86 dB | - 19.24 dB | |||
| 4 | 特征阻抗 | 50 Ω | |||
| 5 | 接触电阻 *** | <10 mΩ | |||
| 6 | 最大直流电流 | 2 A | 探针外形尺寸— Mini 款 ******* | ||
| 7 | 最大直流电压 | 200 V | ![]() ![]() | ||
机械性能参数 | |||||
| 1 | 信号排布 | GSG | |||
| 2 | 探针间距 ***** | 50 μm ~ 150 μm(25 μm step) | |||
| 3 | 连接器 | 1.0 mm(female) | 探针外形尺寸— Slim 款 ******* | ||
| 4 | 针尖材质 | 铜合金 | | ||
| 5 | 典型寿命 ****** | >1,000,000 | |||
| 6 | 最高使用温度 | 200°C | |||
| 7 | 最小 Pad 尺寸 | 30 × 30 μm | |||
| 8 | 探针外形 | 标准款、Mini 款、Slim 款 | |||
| 9 | 适配射频线缆 | C110 系列 | |||
** 测试数据及规格取决于个别的工艺条件,探针参数不同数据会有所差异,并非所有的规格都可同时有效
** 推荐的标准探针间距 75 μm ~ 250 μm
** 初次购买和使用我司射频探针和校准片,建议购买现场安装和校准培训服务
** 如果您在测试过程中对硬件搭建、线缆连接、仪表设置、设备操作、系统校准、测试流程及数据分析等存在疑问,
您可以根据 Eoulu 官方网站的“服务中心”,采购硬件和软件的现场测试陪同服务,或采购 Eoulu future 系列软件
简化测试操作,轻松快速地获取测试结果
****** 在 Au 电极上的接触电阻
****** 功率测试环境(Watts CW @ 20°C)
****** 大功率款射频探针为定制产品,请联系 Eoulu 咨询详情
***** 典型探针间距 50 μm ~ 1250 μm 只适用于 40 GHz / 50 GHz / 67 GHz 探针,110 GHz 及以上典型探针间距范围为 50 μm ~ 150 μm
****** 提供到 3000 μm 宽间距射频探针定制
****** 适用于常温下 Al 电极的测试
****** 射频探针典型寿命实验已在 Eoulu 实验室验证,详情请参考 Eoulu 官网射频探针寿命验证视频和《 Eoulu 射频探针寿命验证报告》
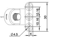
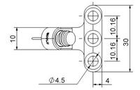
******* 探针外形尺寸单位:mm
产品参数如有变更,恕不另行通知。所有产品图片都以实物为准,苏州伊欧陆系统集成有限公司拥有内容解释权。

. 




