特殊的针尖设计技术,超长的使用寿命
适用于量产测试

Pad 不平整度的兼容性可达 25 μm
适用于不平整界面的测试

极低的接触电阻和插入损耗

可满足 -60℃~ 200℃ 宽温区测试


90 GHz 波导探针
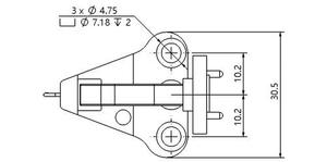
电性能参数 | 波导探针外形尺寸— T 型 **** | ||||
1 | 频率范围 | 60 ~ 90 GHz |
| ![]() | |
2 | 插损 (GSG,150 μm Pitch) | T 型 | S 型 | ||
- 3.0 dB | - 3.0 dB | ||||
3 | 回损 (GSG,150 μm Pitch) | T 型 | S 型 | ||
- 13.0 dB | - 13.0 dB | ||||
4 | 特征阻抗 | 50 Ω | |||
5 | 接触电阻 * | <10 mΩ | |||
6 | 最大直流电流 | 500 mA | |||
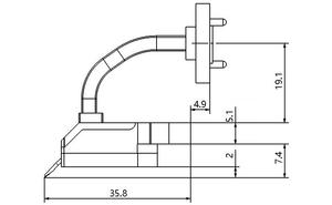
机械性能参数 | 波导探针外形尺寸— S 型 **** | ||||
1 | 信号排布 | GSG |
| ![]() | |
2 | 推荐探针间距 | 50 ~ 150 μm(25 μm step) | |||
3 | 连接器 | WR-12 | |||
4 | 最小 Pad 尺寸 | 70 × 70 μm | |||
5 | 针尖材质 | 50 ~ 75 μm:铜合金 100 ~ 150 μm:镍合金、铜合金 | |||
6 | 典型寿命 ** | >1,000,000 | |||
7 | 最高使用温度 | 200°C | |||
8 | 探针型号(T 型)*** | RF90T-GSGxxx RF90T-GSGxxxBT | |||
| 9 | 探针型号(S 型)*** | RF90S-GSGxxx RF90S-GSGxxxBT | |||
**** 在 Au 电极上的接触电阻
**** 适用于常温下 Al 电极的测试
**** T 代表 Tall(长款),S 代表 Short(短款)
**** 探针型号中的“xxx”代表探针间距,间距以 25 μm 递增
**** 探针型号中的“BT”代表 Bias Tee,型号中若无“BT”代表波导探针不带 Bias Tee
**** 探针外形尺寸单位:mm
**** 波导管尺寸适配 Eoulu F1 探针台
产品参数如有变更,恕不另行通知。所有产品图片都以实物为准,苏州伊欧陆系统集成有限公司拥有内容解释权。






